シーモスの通信講座TOP > 回路設計CAD/シミュレーション通信講座案内 > 回路設計CAD/シミュレーション通信講座(デジタル編)




講座形式:
通信講座
使用ソフト:
LTspice
講座運営:
㈱シーモスデザイン
| 講座 | 回路設計CAD/シミュレーション通信講座(デジタル編) | 受講料 | 63000円 | 学習方法 | 冊子テキストを見ながら、設計計算、パソコンで回路図作図とシミュレーションし、提出課題の添削と復習 | 学習期間のめやす | 12週間 | 添削・質問システム | 課題全問を講師がチェック、質問は随時可能 | 対象者 | 電卓を用いた四則演算ができること、中学理科(電気分野)の理解、文系可 | 特徴 | 未経験の方がスムーズに回路設計能力を習得できる |
|---|
回路設計CAD/シミュレーション通信講座(デジタル編)
●入門者が基礎から学べる回路設計講座です。
●毎回実用的な回路を作図し、計算して設計していきます。
●デジタル回路設計CAD講座は埼玉工業大学で大学生~大学院生向けに実施された学内講座をもとに通信講座として最適化しています。
【受講対象者】
CAD入門者や設計未経験者・初学者
受講されているのはこんな方です
【講座で学ぶこと】
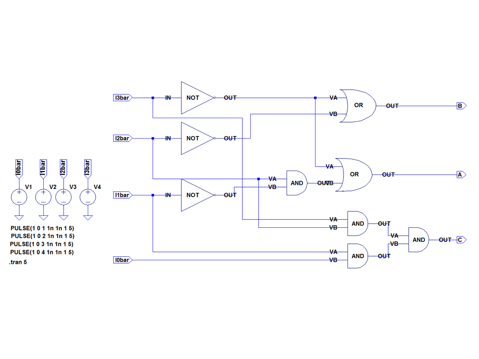
・LTspiceで回路設計CADの基本操作
・LTspiceで回路シミュレータの基本操作
・設計に必要な電気工学
・設計に必要な数学
・デジタル(2進数)の考え方
・パルスの考え方
・デジタル電子回路の作図・設計・解析
よくあるご質問回答例
12回で下記の回路設計を実践します。
●NAND回路
●NOR回路
●NOT回路
●AND回路
●OR回路
●EX-NOR回路
●EX-OR回路
●加算回路
●減算回路
●SRAM
●DRAM
●Dフリップフロップ
●カウンター
●シフトレジスタ
●コンパレータ
●マルチプレクサ
●デコーダ
●エンコーダ
●ノンオーバーラップクロックジェネレータ
●多数決回路
【通信講座の内容】
(教材一括発送)CADデータ等(USBメモリ)・テキスト12冊、通信添削、【質問回数無制限】
受講料¥63,000(受講期限:8カ月)
受講申し込みの流れ