回路設計/3DCAD/2DCAD/デザイン、技術系通信講座のシーモス回路設計/3DCAD/2DCAD/デザイン、技術系通信講座のシーモス



シーモスの通信講座TOP > 回路設計CAD/シミュレーション通信講座(CMOSオペアンプ編)案内 > 回路設計CAD/シミュレーション通信講座(CMOSオペアンプ編)

回路設計CAD/シミュレーション通信講座(アナログ編)の受講が前提となります。

  • 回路設計CAD/シミュレーション通信講座(CMOSオペアンプ編)のタイトル
  • 回路設計CAD/シミュレーション通信講座(CMOSオペアンプ編)の内容
  • 回路設計CAD/シミュレーション通信講座(CMOSオペアンプ編)の内容
  • 回路設計CAD/シミュレーション通信講座(CMOSオペアンプ編)の内容


 回路設計CAD/シミュレーション通信講座(CMOSオペアンプ編) 


 講座形式: 
 通信講座 


 使用ソフト: 
 LTspice 


 講座運営:
 ㈱シーモスデザイン 

講座 回路設計CAD/シミュレーション通信講座(CMOSオペアンプ編)
受講料 99000円
学習方法 冊子テキストを見ながら、設計計算、パソコンで回路図作図とシミュレーションし、提出課題の添削と復習
学習期間のめやす 15週間
添削・質問システム 課題全問を講師がチェック、質問は随時可能
対象者 アナログ回路設計CAD講座履修者、文系可
特徴 アナログ回路で最重要のオペアンプ設計技術を習得できる






回路設計CAD/シミュレーション通信講座(CMOSオペアンプ編)の特徴

・毎週テキスト1冊が進める目安となります。
就学・就労中の方でも空き時間と休日に無理なく進められる分量です。15分冊(第1回~第15回)で15週で無理なく学習できます。
受講期限はそれよりも大幅に長いので、安心してマイペースで学習できます。

・全課題、オペアンプ回路に関する特許発明者である講師が細部までチェック添削します。
課題のすべてを細部まで確認します。また添削後の再提出の添削ももちろん実施しています。
添削の際に正誤の確認にとどまらず、補足が豊富なので復習をすることで理解度が非常に高まります。






回路設計CAD/シミュレーション通信講座(CMOSオペアンプ編)の内容はこちら

回路設計CAD/シミュレーション通信講座(CMOSオペアンプ編)

★オペアンプに関する特許取得(単独発明者・特許権者)の講師が直接指導します。
アナログLSIで必須のオペアンプ回路を全体を通して設計します。
●「アナログ回路設計講座」受講生を対象としています。

【受講対象者】

アナログ回路設計CAD講座履修者

【講座で学ぶこと】

・オペアンプのスペック
・製造プロセスに依存する値
・数値計算に基づくCMOSオペアンプ回路設計の実務的方法
・CMOSオペアンプの作図・設計・解析
・解析データを回路設計にフィードバックする方法
・電源電圧の変更
・電流源の設計
・入力トランジスタの変更
・アナログコンパレータの設計
・バンドギャップリファレンス回路による基準電圧
・新規回路の設計方法




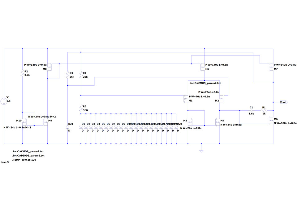
15回でオペアンプとその応用回路の設計・解析を実践します。

●CMOSシングルステージオペアンプ回路
●CMOS2ステージオペアンプ回路
●アナログコンパレータ
●バンドギャップリファレンス回路
※上記回路について、製品として考慮すべきスペックに基づき、
設計→解析→設計変更を繰り返し、実務レベルの回路設計ができるように練習します。
※また新規回路構成ができるようなレベル達するよう、思考力・応用力を養っていきます。

【通信講座の内容】

(教材一括発送)CADデータ等(USBメモリ)・テキスト15冊、通信添削、【質問回数無制限】
受講料¥99,000(受講期限:12カ月、就業サポート期間:24カ月)




電子書籍のご案内

回路設計CAD通信講座は難しい説明を必要最小限に、設計の実技を重視した講座内容です。
用語や理論などを解説した電子書籍も出版しております。

ゼロから始めるLSI設計入門

抵抗、容量、MOSトランジスタ

実例アナログLSI設計


本ウェブサイト内の回路設計LSI関連技術解説/用語集もぜひご利用ください。